Retour à l'accueil
 
 
Recherche de schémas
Collection CD/DVD

Service schémathèque 

3 documents correspondent à votre recherche.

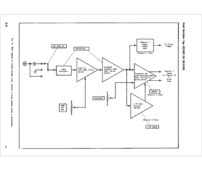
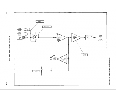
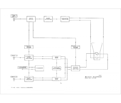
Caractéristiques de l'appareil
Marque :
Tektronix
Modèle :
422
Type appareil :
appareil de mesure
3 documents correspondant à cet appareil
Notice Tektronix 422
25 pages.
Document présent dans Rétro-docs 6 Acheter
En ligne, disponible en téléchargement Télécharger
no photo
Tektronix 422
Langue  : anglais
62 pages. — Poids : 310 g. — Frais postaux indicatifs : 7,06 €
Document mesure accessible en prêt Demander
no photo
Tektronix 422
Langue  : anglais
165 pages. — Poids : 825 g. — Frais postaux indicatifs : 10,24 €
Document mesure accessible en prêt Demander
La consultation de cet espace schémathèque est en accès libre.