Recherche de schémas
Collection CD/DVD
Service schémathèque
2 documents correspondent à votre recherche.
Autre recherche
Caractéristiques de l'appareil
Marque :
Tektronix
Modèle :
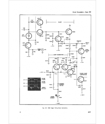
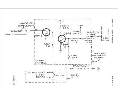
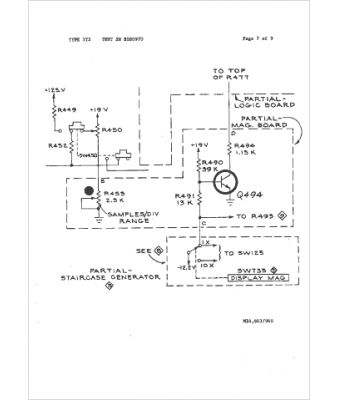
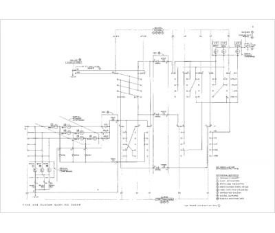
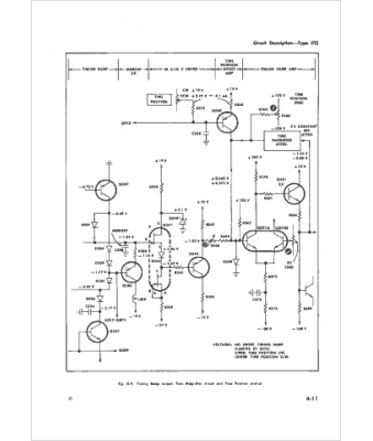
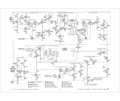
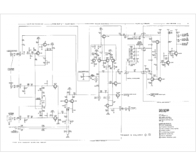
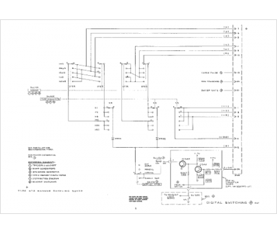
3T2
Type appareil :
appareil de mesure
2 documents correspondant à cet appareil
Notice Tektronix 3T2
80 pages.
Document présent dans Rétro-docs 6
Acheter
En ligne, disponible en téléchargement
Télécharger
Tektronix 3T2
Langue : français
35 pages. — Poids : 175 g. — Frais postaux indicatifs : 4,71 €
Document mesure accessible en prêt
Demander
La consultation de cet espace schémathèque est en accès libre.