Retour à l'accueil
 
 
Recherche de schémas
Collection CD/DVD

Service schémathèque 

2 documents correspondent à votre recherche.

Caractéristiques de l'appareil
Marque :
Tektronix
Modèle :
3B3
Type appareil :
appareil de mesure
2 documents correspondant à cet appareil
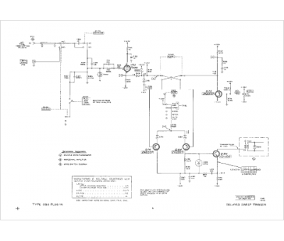
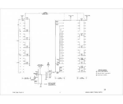
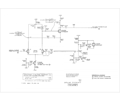
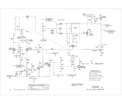
Notice Tektronix 3B3
21 pages.
Document présent dans Rétro-docs 6 Acheter
En ligne, disponible en téléchargement Télécharger
no photo
Tektronix 3B3
Langue  : anglais
86 pages. — Poids : 430 g. — Frais postaux indicatifs : 7,06 €
Document mesure accessible en prêt Demander
La consultation de cet espace schémathèque est en accès libre.