Recherche de schémas
Collection CD/DVD
Service schémathèque
1 document correspond à votre recherche.
Autre recherche
Caractéristiques de l'appareil
Marque :
Tektronix
Modèle :
3A5
Type appareil :
appareil de mesure
1 document correspondant à cet appareil
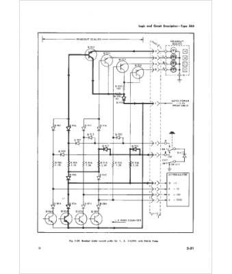
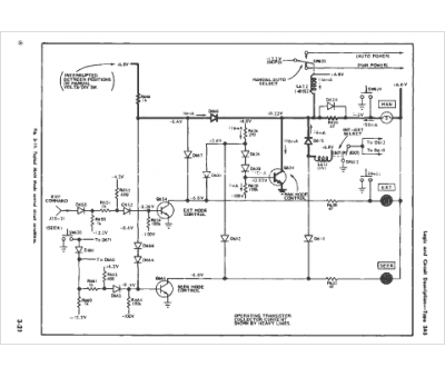
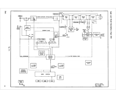
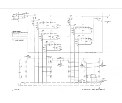
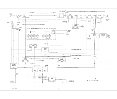
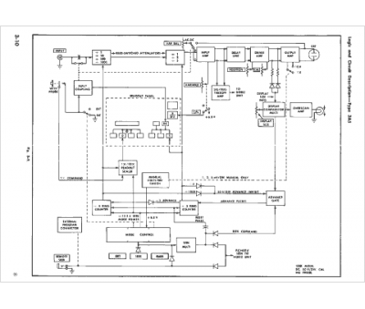
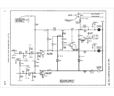
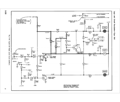
Notice Tektronix 3A5
63 pages.
Document présent dans Rétro-docs 6
Acheter
En ligne, disponible en téléchargement
Télécharger
La consultation de cet espace schémathèque est en accès libre.