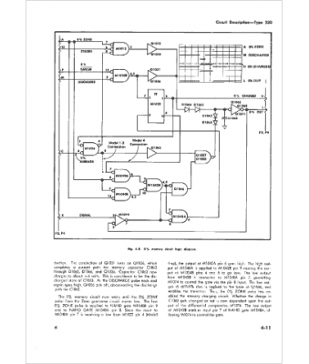
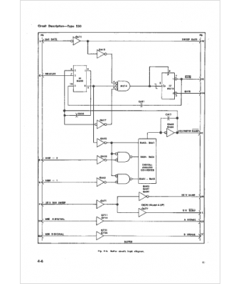
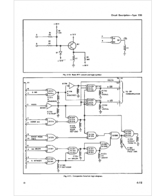
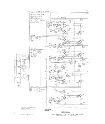
Recherche de schémas
Collection CD/DVD
Service schémathèque
2 documents correspondent à votre recherche.
Autre recherche
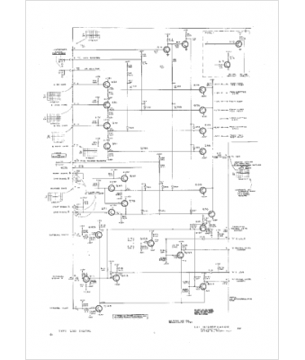
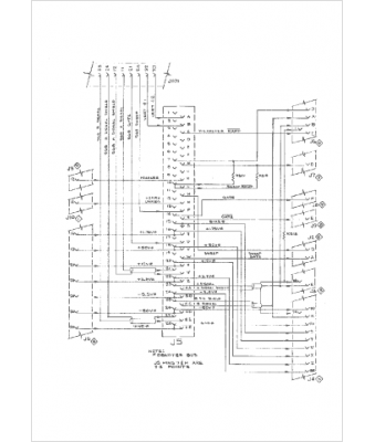
Caractéristiques de l'appareil
Marque :
Tektronix
Modèle :
230
Type appareil :
appareil de mesure
2 documents correspondant à cet appareil
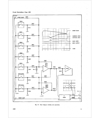
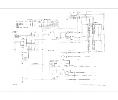
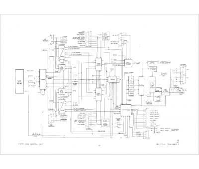
Notice Tektronix 230
74 pages.
Document présent dans Rétro-docs 6
Acheter
En ligne, disponible en téléchargement
Télécharger
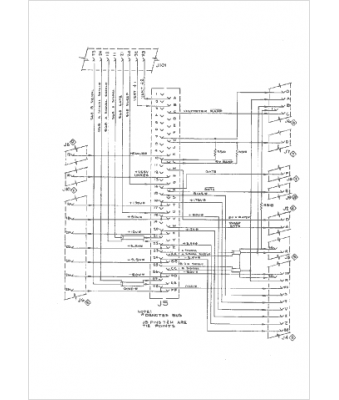
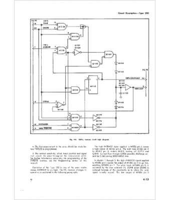
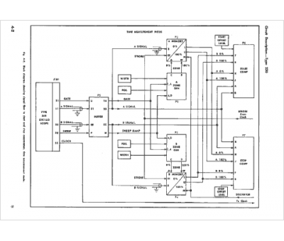
Tektronix 230 / R230
Langue : anglais
318 pages. — Poids : 1590 g. — Frais postaux indicatifs : 10,24 €
Document mesure accessible en prêt
Demander
La consultation de cet espace schémathèque est en accès libre.