Retour à l'accueil
 
 
Recherche de schémas
Collection CD/DVD

Service schémathèque 

1 document correspond à votre recherche.

Caractéristiques de l'appareil
Marque :
Tektronix
Modèle :
11B1
Type appareil :
appareil de mesure
1 document correspondant à cet appareil
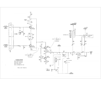
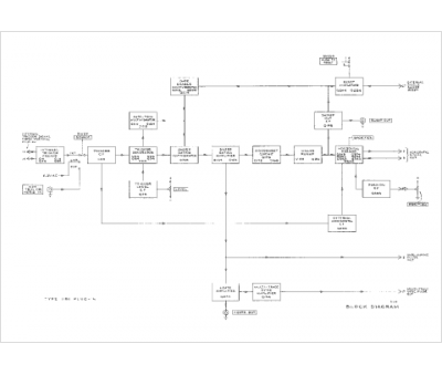
Notice Tektronix 11B1
26 pages.
Document présent dans Rétro-docs 6 Acheter
En ligne, disponible en téléchargement Télécharger
La consultation de cet espace schémathèque est en accès libre.