
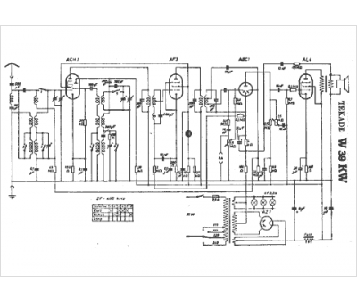
Marque :
Tekade
Modèle :
W 39 KW
Type appareil :
récepteur à tubes
Pays d'origine :
Allemagne
