
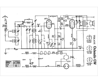
Marque :
Tekade
Modèle :
Orlando GW
Type appareil :
récepteur à tubes
Pays d'origine :
Allemagne
