
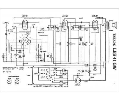
Marque :
Tekade
Modèle :
LES 41 GW
Type appareil :
récepteur à tubes
Pays d'origine :
Allemagne
