
Marque :
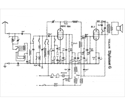
Tekade
Modèle :
Diplomat G
Type appareil :
récepteur à tubes
Pays d'origine :
Allemagne
