
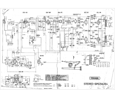
Marque :
Teissier Leinetal
Modèle :
Stereo speziale
Type appareil :
récepteur à tubes
Pays d'origine :
Allemagne
