
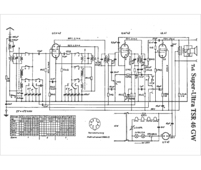
Marque :
Tefi
Modèle :
TSR 46 GW
Type appareil :
récepteur à tubes
Pays d'origine :
Allemagne
