
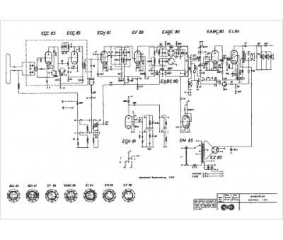
Marque :
Tefi
Modèle :
T 573
Type appareil :
récepteur à tubes
Pays d'origine :
Allemagne
