
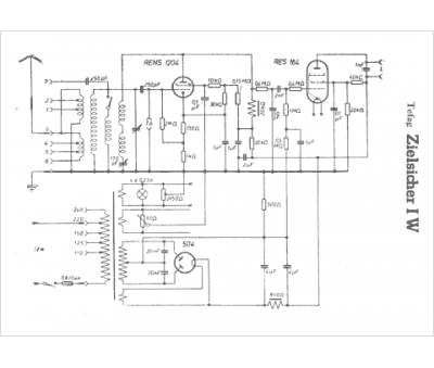
Marque :
Tefag
Modèle :
Zielaicher I W
Type appareil :
récepteur à tubes
Pays d'origine :
Allemagne
