
Marque :
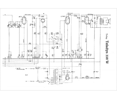
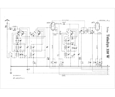
Tefag
Modèle :
Tefadyn 338 W
Type appareil :
récepteur à tubes
Pays d'origine :
Allemagne
