
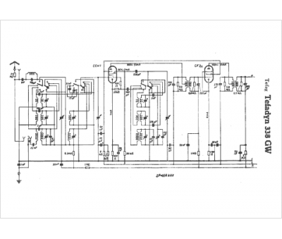
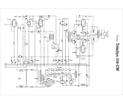
Marque :
Tefag
Modèle :
Tefadyn 338 GW
Type appareil :
récepteur à tubes
Pays d'origine :
Allemagne
