
Marque :
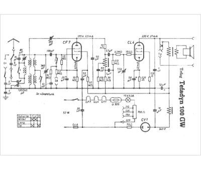
Tefag
Modèle :
Tefadyn 100 GW
Type appareil :
récepteur à tubes
Pays d'origine :
Allemagne
