
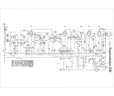
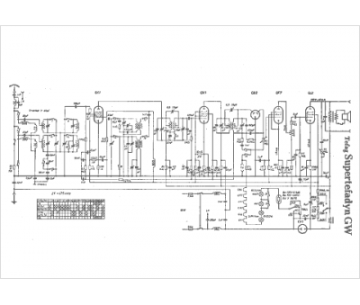
Marque :
Tefag
Modèle :
Supertefadyn GW
Type appareil :
récepteur à tubes
Pays d'origine :
Allemagne
