
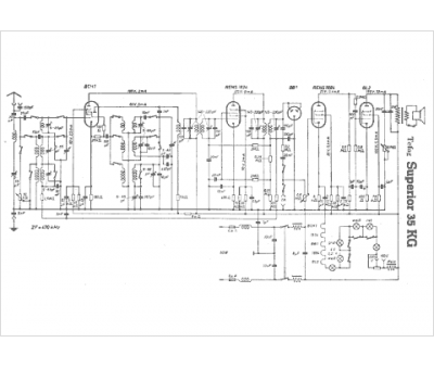
Marque :
Tefag
Modèle :
Superior 35 kg
Type appareil :
récepteur à tubes
Pays d'origine :
Allemagne
