
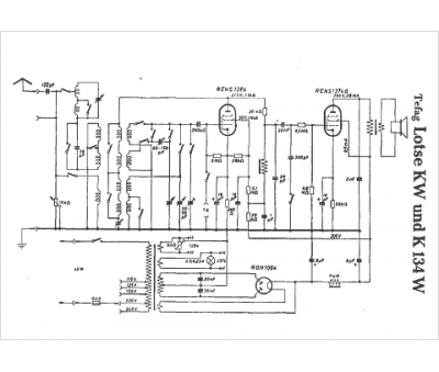
Marque :
Tefag
Modèle :
Lotse KW
Type appareil :
récepteur à tubes
Pays d'origine :
Allemagne
