
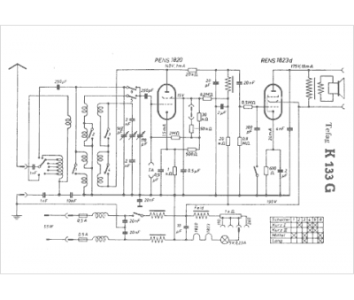
Marque :
Tefag
Modèle :
K 133 G
Type appareil :
récepteur à tubes
Pays d'origine :
Allemagne
