
Marque :
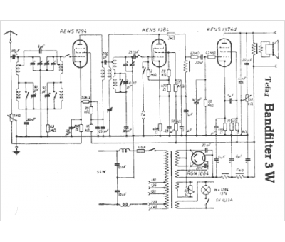
Tefag
Modèle :
Bandfilter 3 W
Type appareil :
récepteur à tubes
Pays d'origine :
Allemagne
