
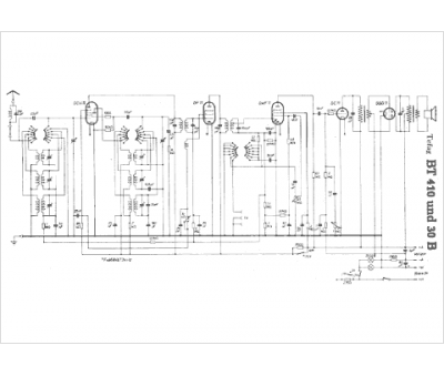
Marque :
Tefag
Modèle :
30 B
Type appareil :
récepteur à tubes
Pays d'origine :
Allemagne
