
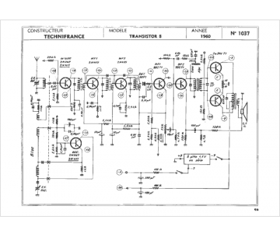
Marque :
Technifrance
Modèle :
Transistor 8
Type appareil :
récepteur à tubes
Année :
1960
