
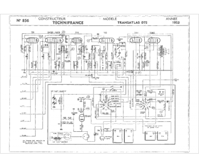
Marque :
															Technifrance																																															
														Modèle :
																Transatlas d75																																	
															Type appareil :
																récepteur à tubes
															Année :
																1953
															




