
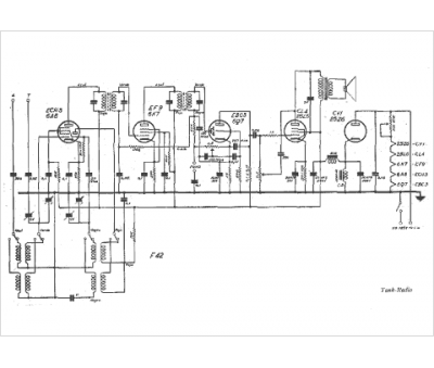
Marque :
Tank Radio
Modèle :
4
Type appareil :
récepteur à tubes
Pays d'origine :
Espagne
