
Marque :
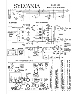
Sylvania
Modèle :
SC721
Type appareil :
récepteur à tubes
Année :
1965
Pays d'origine :
États-Unis
