
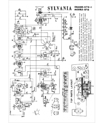
Marque :
Sylvania
Modèle :
678-1
Type appareil :
récepteur à tubes
Année :
1961
Pays d'origine :
États-Unis
