
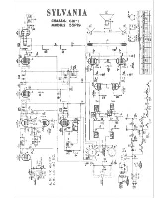
Marque :
Sylvania
Modèle :
55P19
Type appareil :
récepteur à tubes
Année :
1962
Pays d'origine :
États-Unis
