
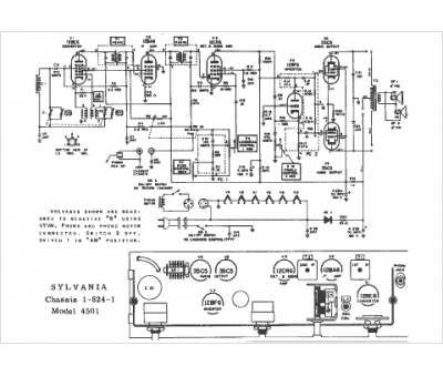
Marque :
Sylvania
Modèle :
4501
Type appareil :
récepteur à tubes
Année :
1958
Pays d'origine :
États-Unis
