
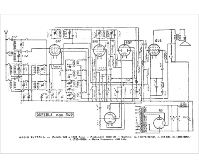
Marque :
Superla
Modèle :
549
Type appareil :
récepteur à tubes
Pays d'origine :
Italie
