
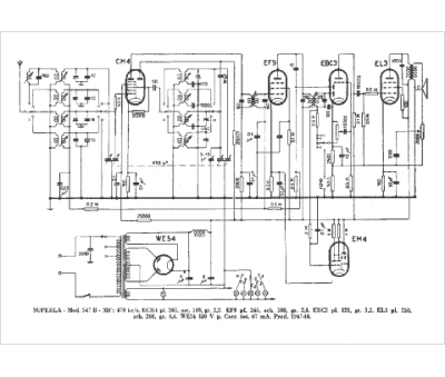
Marque :
Superla
Modèle :
547 B
Type appareil :
récepteur à tubes
Pays d'origine :
Italie
