
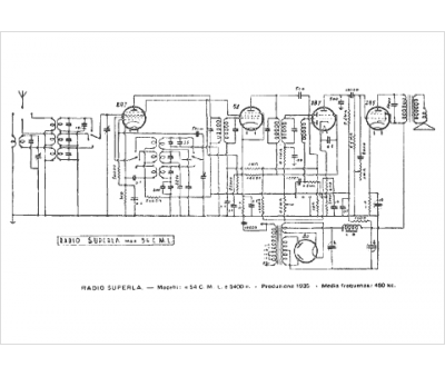
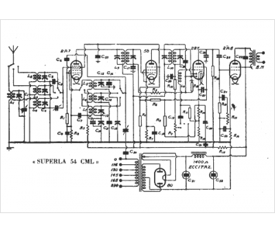
Marque :
Superla
Modèle :
54 CML
Type appareil :
récepteur à tubes
Pays d'origine :
Italie
