
Marque :
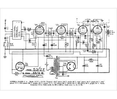
Superla
Modèle :
53-2 F
Type appareil :
récepteur à tubes
Pays d'origine :
Italie
