
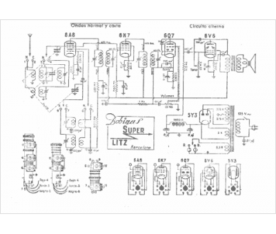
Marque :
Super Litz
Modèle :
250 A
Type appareil :
récepteur à tubes
Pays d'origine :
Espagne
