
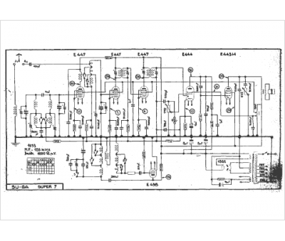
Marque :
Suga
Modèle :
Super 7
Type appareil :
récepteur à tubes
Année :
1933
