
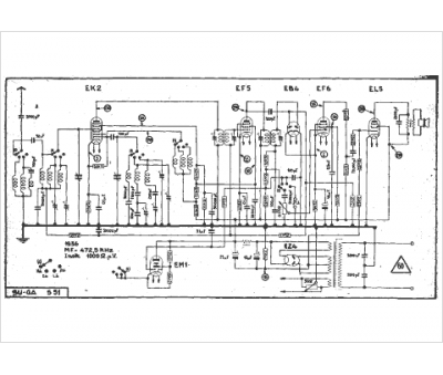
Marque :
Suga
Modèle :
S51
Type appareil :
récepteur à tubes
Année :
1936
