
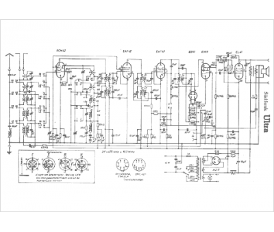
Marque :
Sudfunk
Modèle :
Ultra
Type appareil :
récepteur à tubes
Pays d'origine :
Allemagne
