
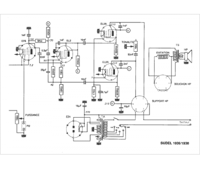
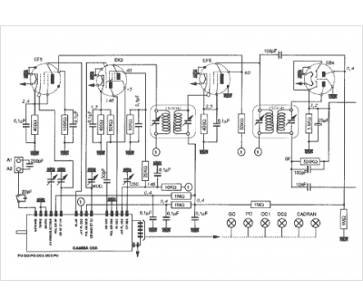
Marque :
Sudel
Modèle :
Gamma G66
Type appareil :
récepteur à tubes
Pays d'origine :
France
