
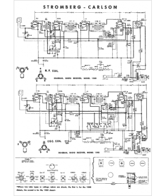
Marque :
Stromberg-Carlson
Modèle :
1200
Type appareil :
récepteur à tubes
Année :
1949
Pays d'origine :
États-Unis
