
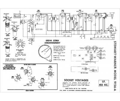
Marque :
Stewart Warner
Modèle :
9156-A
Type appareil :
récepteur à tubes
Année :
1951
Pays d'origine :
États-Unis
