
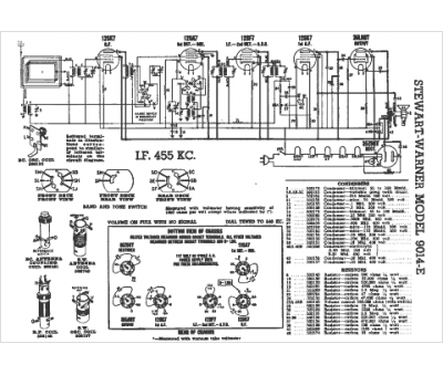
Marque :
Stewart Warner
Modèle :
9014-E
Type appareil :
récepteur à tubes
Année :
1946
Pays d'origine :
États-Unis
