
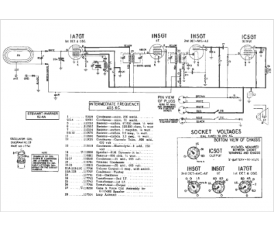
Marque :
Stewart Warner
Modèle :
02-4A
Type appareil :
récepteur à tubes
Année :
1940
Pays d'origine :
États-Unis
