
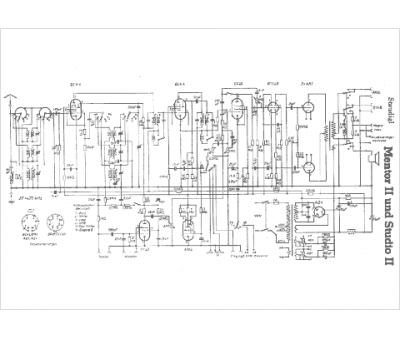
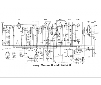
Marque :
Staudigl
Modèle :
Mentor II
Type appareil :
récepteur à tubes
Pays d'origine :
Autriche, Allemagne
