
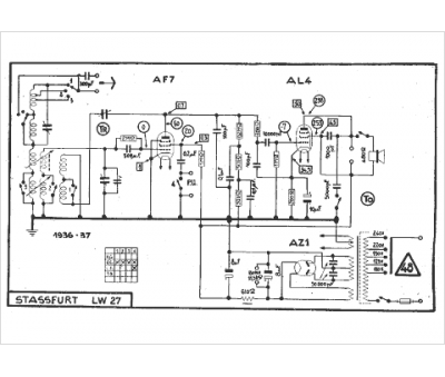
Marque :
Stassfurt
Modèle :
Lw 27
Type appareil :
récepteur à tubes
Année :
1936
