
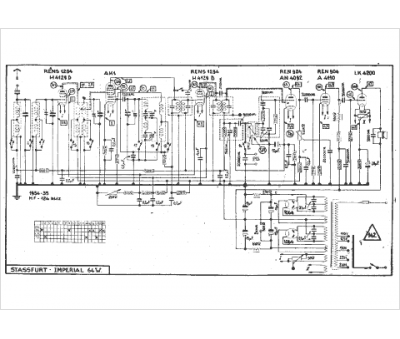
Marque :
Stassfurt
Modèle :
Imperial 64 W
Type appareil :
récepteur à tubes
Année :
1934
