
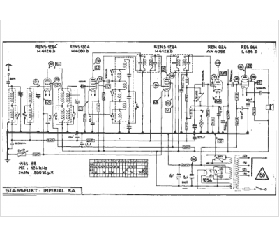
Marque :
Stassfurt
Modèle :
Imperial 5 A
Type appareil :
récepteur à tubes
Année :
1933
