
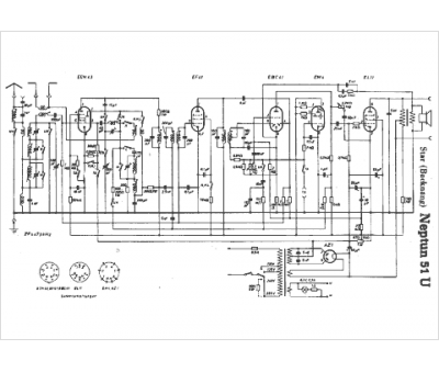
Marque :
Star
Modèle :
Neptun 51 U
Type appareil :
récepteur à tubes
Pays d'origine :
Allemagne
