
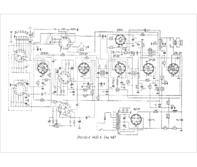
Marque :
Standard
Modèle :
4455 A
Type appareil :
récepteur à tubes
Pays d'origine :
Hongrie, Italie
