
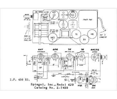
Marque :
Spiegel
Modèle :
Z-7450
Type appareil :
récepteur à tubes
Année :
1939
Pays d'origine :
États-Unis
